服务热线
400-850-5208
星空app官网下载官方版APPPRODUCTS
进口日本Asker橡胶硬度计C1L型软橡胶测量
C1L型这是JIS K 7312中使用的橡胶硬度计。除软橡胶和各种泡沫外,还适用于测量橡胶辊、纱包硬度(纱包硬度)、粘土和瓷土等软材料的硬度。如上图所示,根据样品的类型制造各种类型的硬度计(橡胶硬度计)。符合 JIS K 6253-3 的 A 型硬度计(Asker A 型)常用于橡胶。然而,据说硬度计在指示 20 到 90 点之间时会产生显着的差异。Asker D 型)更适合使用。相反,对于显示 20 点或更少的软样品,请选择 Asker C 型或 E 型硬度计(Asker E 型)。换句话说,根据样本选择合适的模型很重要。

JIS K7312
JIS S6050
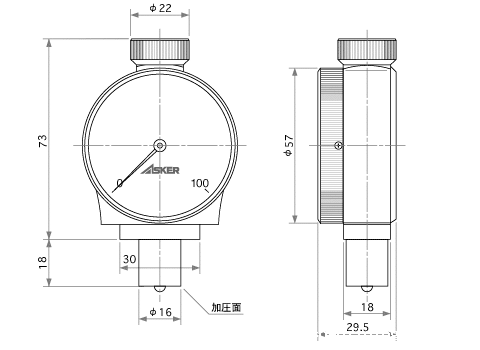
测量秤
0 点至 100 点(262° 刻度)
小规模
1分(验证精度±1分)
压头形状mm
高度2.54 φ5.08半球
弹簧载荷 mN (g)
0分
539 (55)
100分
8379 (855)
受压面中心孔mm
φ5.5
受压面尺寸mm
φ16(圆形)腿长L.18
尺寸毫米
约宽57×深30×高94
重量克
200
用法
软橡胶、聚氨酯泡沫、海绵、橡胶辊、缠绕线、粘土