星空app官网下载官方版APPPRODUCTS

您当前的位置:首页 > wwe星空体育 > 工业泵及各类传感器 > xingkong体育中国官网 > 上海共和电业LUH-100KF LUH-200KF LUH-500KF高精度拉伸压缩两用载荷传感器
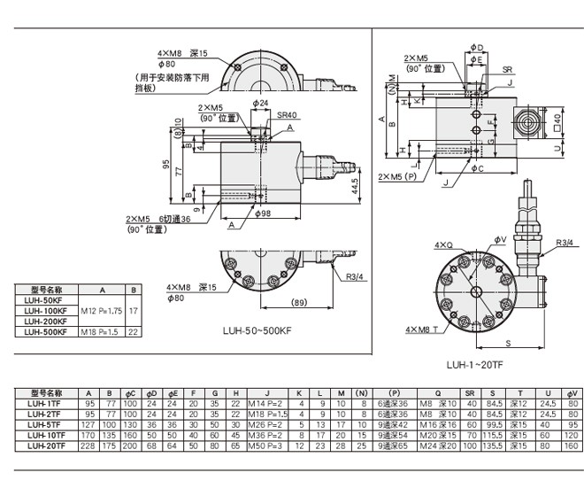
上海共和电业LUH-100KF LUH-200KF LUH-500KF高精度拉伸压缩两用载荷传感器
产品型号:LUH-100KF
产品品牌:日本kyowa共和电业
产品简介: 拉伸压缩两用载荷传感器。内部封闭惰性气体的密闭结构。额定容量:±500N~±200kN 直径:100mm(±500N~±5kN), 100mm(±10kN~±20kN), 130mm(±50kN), 160mm(±100kN), 200mm(±200kN)非线性:±0.02%RO或以内

上海共和电业LUH-100KF LUH-200KF LUH-500KF高精度拉伸压缩两用载荷传感器

上海共和电业LUH-100KF LUH-200KF LUH-500KF高精度拉伸压缩两用载荷传感器

拉伸压缩两用载荷传感器。内部封闭惰性气体的密闭结构。额定容量:±500N~±200kN

直径:100mm(±500N~±5kN), 100mm(±10kN~±20kN), 130mm(±50kN), 160mm(±100kN), 200mm(±200kN)非线性:±0.02%RO或以内

规格

性能
额定容量±5kN
非线性±0.02%RO或以内
滞后±0.02%RO或以内
反复性0.02%RO或以下
额定输出2mV/V(4000×10-6应变量)±0.1%
环境特性
允许使用温度范围-35~80℃
温度补偿范围-10~60℃
零点温度影响±0.0015%RO/℃或以内
输出温度影响±0.001%/℃或以内
电气特性
激励电压20V AC或DC
推荐激励电压1~10V AC或DC
输入电阻350Ω±0.5%
输出电阻350Ω±0.5%
电缆0.5mm2,6芯屏蔽氯丁橡胶铠装线5m,外径9.5mm,前端裸线
(屏蔽线没有与主机连接)
机械特性
安全过载150%
固有频率约4.6kHz
重量约2.1kg (不含电缆)
其他可安装防落下用挡板
(由客户自备)

标配件内六角止动螺丝M5长10mm×4,
内六角扳手(等边2.5mm)×1
选购件载荷底座 CA
安装台座 CF
自由支架 ER-B
球头节 TU

留言框

  • 产品:

  • 留言内容:

  • 您的单位:

  • 您的姓名:

  • 联系电话:

  • 常用邮箱:

  • 详细地址:

  • 省份:

  • 验证码:

Baidu
map