星空app官网下载官方版APPPRODUCTS

您当前的位置:首页 > wwe星空体育 > 工业泵及各类传感器 > xingkong体育中国官网 > 日本 TEAC TU-PGRS-G 拉伸/压缩称重传感器
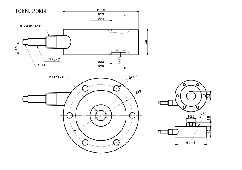
日本 TEAC TU-PGRS-G 拉伸/压缩称重传感器
产品型号:TU-PGRS-G
产品品牌:日本TEAC
产品简介: 日本 TEAC TU-PGRS-G 拉伸/压缩称重传感器

日本 TEAC TU-PGRS-G 拉伸/压缩称重传感器

拉伸/压缩称重传感器

TU-PGRS-G RohS

使用高阻抗电路的拉伸/压缩称重传感器。由于自热导致的温度漂移小。

特征

高精度·密封结构·高稳定性
产品(号2515645)




留言框

  • 产品:

  • 留言内容:

  • 您的单位:

  • 您的姓名:

  • 联系电话:

  • 常用邮箱:

  • 详细地址:

  • 省份:

  • 验证码:

Baidu
map