星空app官网下载官方版APPPRODUCTS

您当前的位置:首页 > wwe星空体育 > 精密量具量仪 > xingkong体育中国官网 > 0102515日本东京精密ACCRETECH测针
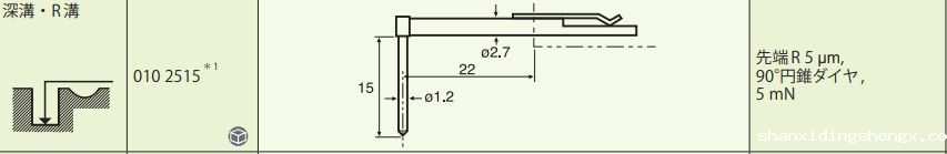
0102515日本东京精密ACCRETECH测针
产品型号:0102515
产品品牌:东京精密测针
产品简介: 更换粗糙度形状测量元件

0102515日本东京精密ACCRETECH测针

日本东京精密更换粗糙度形状测针

更换粗糙度探头的半径为5μm。

image.png



留言框

  • 产品:

  • 留言内容:

  • 您的单位:

  • 您的姓名:

  • 联系电话:

  • 常用邮箱:

  • 详细地址:

  • 省份:

  • 验证码:

Baidu
map