星空app官网下载官方版APPPRODUCTS

您当前的位置:首页 > wwe星空体育 > 物理力学测量仪器 > xingkong体育中国官网 > 日本中村KANON扭力计MN-SGK/CN-SGK
日本中村KANON扭力计MN-SGK/CN-SGK
产品型号:MN-SGK/CN-SGK
产品品牌:KANON中村
产品简介: 扭力计

日本中村KANON扭力计MN-SGK/CN-SGK

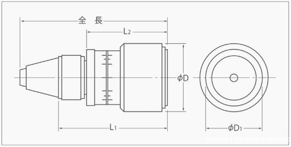
MN-SGK / CN-SGK

 

扭力计

●化妆肯定不会选择这样的形状,如在三路盘的圆形或方形
●规模有两个正面和侧面,将既可以读
也可以置●针型
●是左,右两用


留言框

  • 产品:

  • 留言内容:

  • 您的单位:

  • 您的姓名:

  • 联系电话:

  • 常用邮箱:

  • 详细地址:

  • 省份:

  • 验证码:

Baidu
map