星空app官网下载官方版APPPRODUCTS

您当前的位置:首页 > wwe星空体育 > 物理力学测量仪器 > xingkong体育中国官网 > 日本东日TOHNICHI脱跳式扭力螺丝刀RTD
日本东日TOHNICHI脱跳式扭力螺丝刀RTD
产品型号:RTD
产品品牌:TOHNICHI东日
产品简介: 无扭矩的空转扭矩驱动器,可在从批量生产到维护的广泛范围内使用。

日本东日TOHNICHI脱跳式扭力螺丝刀RTD

信号式转矩螺丝刀

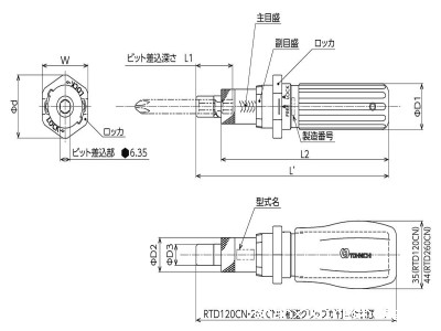
RTD        RoHSマークビット差込部6.35マーク    紧固用   空转式   预设定型   带刻度

用途:

适用于从批量生产到服务的各种拧紧工作。

特色功能:

  空转类型

  • 无需担心过转矩,因为当达到设定转矩时,电动机会空转。

  • 肘节式扭矩检测机构,具有的耐用性。

  • 扭矩可以通过刻度轻松更改。

  • 由于使用了锁定机制,所有型号在使用过程中都不会移动秤。

  • 储物柜的六角形形状使其难以滚动并防止其从桌子上掉落。您也可以维修和更换储物柜。

  • 型号中带(-L)可提供反向螺丝(向左控制扭矩)

规格:

型号RTD15CNRTD30CNRTD60CNRTD120CNRTD260CNRTD500CN
扭矩调整范围
[cN•m]
小到2-154-3010-6020-12060-260100-500
1刻度0.10.20.5125
适用螺丝
(参考)
小螺丝(M1.8)M2(M2.2)M2.5,M3(M3.5)M4(M4.5)M5,M6
自攻螺丝(M1.4)M1.6(M1.8)M2(M2.2)M2.5M3(M3.5)M4(M4.5)
尺寸[mm]总长度L'100110130150155
手柄直径D116202430.533
本体D210.714.8182326
D311
L11824
L276.5-84.381.1-90.1105-115113.8-123.8129-141
储物柜d23.529334145
21.526.53037.541
质量[kg]0.050.080.160.270.32












精度±3%

尺寸图:

留言框

  • 产品:

  • 留言内容:

  • 您的单位:

  • 您的姓名:

  • 联系电话:

  • 常用邮箱:

  • 详细地址:

  • 省份:

  • 验证码:

Baidu
map